マグネットベース(吸着力800N) NM-B80
マグネットベースの特長
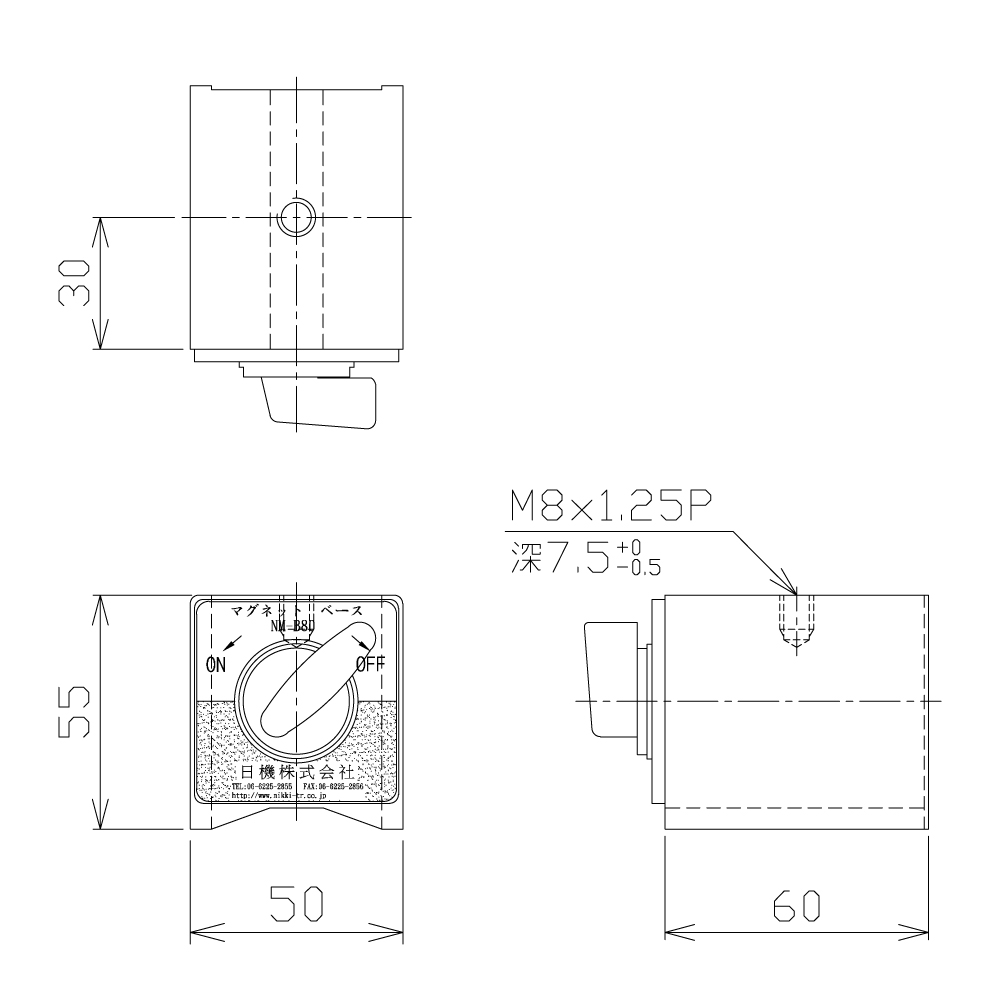
磁力がON/OFF可能なマグネットベースです。吸着面は、V型構造になっており、パイプや丸棒にも吸着可能です。
また、レーザー機台など様々な用途にご使用頂けます。
【材質】
フェライト磁石を使用しており、錆に強く、衝撃にも強く磁力が弱りにくい特性があります。
【吸着面】
V型、凹型でマグネットが安定して吸着できる場所であれば、フラット面・曲面など設置面の形状を選ばず固定することが可能です。
>マグネットベース取り扱い一覧表
マグネットベースの使い方
ねじ穴部分に使用用途に合った治具を装着することで、計測作業以外での使用も可能です。Mネジ穴があり使用用途に合わせた治具やアームを取り付けることが可能です。
仕様詳細
| 商品 | マグネットベース |
|---|---|
| 型式 | NM-B80 |
| サイズ | 65x50x55(H)mm |
| ネジ穴寸法 | M8x1.25P |
| 最大吸着力 | 800N |
| 吸着面 | 底面(V型)・後面 |
| 個数 | 1個 |
>マグネット関連商品の一覧はこちら
納期
翌営業日出荷(土日祝を除く)
NLEシリーズ
NLE-SN2シリーズ
NLE-SN3シリーズ
NLFシリーズ
NLWシリーズ
NLUPシリーズ
NLMシリーズ(AC)
NLM-SN2シリーズ
NLM-SN3シリーズ
NLL3シリーズ(AC)
NLL3-SN2シリーズ
NLTシリーズ
NLT2シリーズ
NLT3シリーズ
NLT3シリーズ
NLT4シリーズ
NLS 03シリーズ
NLS 15シリーズ
NLS 18シリーズ
NLS 12/30シリーズ
NLUシリーズ
NLA50シリーズ
NLA50-Aシリーズ
NLA50L-Aシリーズ
NLA50USBシリーズ
NLA50CJQ4シリーズ
NLA50CJQ1シリーズ
NLA65シリーズ
NLA70シリーズ
NLA50CJQ3シリーズ
NLA50CJQVシリーズ
NLS-BMシリーズ
NLUD-BMシリーズ
NLS-BTシリーズ
NLUD-BTシリーズ
NLB-Rシリーズ
NLB-Vシリーズ
NLB-Gシリーズ
NLFL-Bシリーズ
NLFL-B-GDシリーズ
N-HDL-001
N-HDL-002
N-HDL-004
H300
iFishing-Li
N-WKL-001
N-WKL-002
N-WKL-003
C500
N-CPL-001
N-CPL-002
N-SOL-001
N-SOL-002
N-SOL-003
卓上式
クランプ式
NLUDシリーズ
NLUD-RGBシリーズ
NLUBシリーズ
NLFLシリーズ
NLFL-Dシリーズ
NLPW10-AC
NLPW20-AC
NLFL-Aシリーズ
NLS-Aシリーズ
NLS-AWTシリーズ
昼光色6500K
電球色3000K
COBタイプ
NLH-HL3シリーズ
NLH200Uシリーズ
NLHL-HLシリーズ
NLT8シリーズ
NLFZシリーズ
NC-562B
ND-P07
ND-P09
AL-23
AL-28B
ND-P01
ND-P02
ND-P03
ND-P04
ND-P06
ND-PM243
ND-P13
ND-P14
FS-30
FS-50
TP-20B
TP-30B
1/4" (2部)
3/8" (3部)
1/2" (4部)
3/4" (6部)
ホースドラム
スタンダードノズル
組み立てノズル
組立工具
標準型
埋め込み型
傾斜型
超高圧型
ボールバルブ
アダプター
ニップル
ブッシング
プラグ
エルボ
クロス
アダプター
ニップル
六角カップリング
ブッシング
プラグ
エルボ
チーズ
標準タイプ
高流量タイプ
流量調整可能タイプ
アルミボディタイプ
エアコイルホース
MRシリーズ
MFシリーズ
TMFシリーズ
MRZシリーズ
SFZシリーズ
CRZシリーズ
CFZシリーズ
MKRシリーズ
MRSシリーズ
MRNシリーズ
CTシリーズ
AN / AWシリーズ
開放タイプ
両側シールドタイプ
合成ゴム両側タイプ
NM-B30
NM-B80
NM-B100
NM-B130
NM-B150G
NM-8T
NM-12T
NM-K
NM-KT
NM-KB
NM-MX
NM-FX
NM-WF
NM-S
NM-MS
NM-C1
NM-C1-V
NM-C1-A
NM-C1-AV
NM-C1-B
NM-C1-BV
NM-C3
コルゲートチューブ
スパイラルチューブ
マークチューブ
PVCチューブ
編組チューブ
シリコンワニス編組チューブ
熱収縮チューブ
屋内用
屋外用
リピート式
ねじ止め式
プッシュ式
1000mm
N-351000A
ケーブルグランド
コルゲートグランド
ナイロンクイックコネクタ
90°ナイロンクイックコネクタ
ワンタッチコネクタ
差込型電線コネクタ
e-CONコネクタ
閉端接続子
裸圧着端子
絶縁圧着端子
固定端子台
中継用端子台
1211シリーズ(角型)
1200シリーズ(U字型)
おねじタイプ
めねじタイプ
おねじタイプ
めねじタイプ
2段 / 3段タイプ
折りたたみタイプ
耐荷重300kg
連結式
連結式 耐荷重50kg
円形台車
鉢受けプレート
幅24mm
幅48mm
標準タイプ
梱包機用
小物梱包用
